| 图片 |
标 题 |
更新时间 |
 |
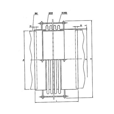
圆形双波补偿器-换热器上波纹管膨胀节 圆形双波补偿器汇通圆形双波补偿器简称:双波补偿器,多波补偿器,圆形补偿器。属于在单波补偿器上发展来的新型产品,该产品相比单波补偿器产品来说,其补偿量更大所以更能满足中长距离管道系统的补偿使用需求,本厂
|
2020-09-10 |
 |
矩形非金属补偿器_矩形柔性织物补偿器 矩形非金属补偿器_矩形柔性织物补偿器一、矩形非金属补偿器概述汇通矩形非金属补偿器主要用于电厂烟风道,用来吸收热位移和(或)减震。矩形非金属补偿器根据不同的工作温度和补偿量进行分类,编目如下:对于Xo为拉
|
2020-09-10 |
 |
三维洛氏补偿器_金属补偿器 三维洛氏补偿器_金属补偿器汇通三维洛氏补偿器由联结管、套管、定位螺栓等元件组成。联接管在套管内及定位螺栓的作用下,作少量的径向挠曲的角位移和轴向的线位移。三维洛氏补偿器件即可以独立安装,也可以一对串联
|
2020-09-10 |
 |
圆形多波补偿器_金属补偿器 圆形多波补偿器_金属补偿器 一、概述汇通圆形多波补偿器主要用于电厂烟风道,用来吸收热位移和(或)减震,本系列产品是根据GB/t12777标准,并参照EJMA(《美国膨胀节制造商协会标准》)设计制造,规格系列为DN100~DN
|
2020-09-10 |
 |
流化床锅炉膛出口处非金属膨胀节 流化床锅炉膛出口处非金属膨胀节一、概述 非金属膨胀节是由柔性补偿件、法兰或者接管、保温隔热材料及螺栓拉杆等构成,可以在较小的尺寸范围内提供较大的轴向、角向和侧向位移。特性是无反推力,主体材料为玻璃纤维
|
2020-09-10 |
 |
金属膨胀节单式复式轴向万向铰链 金属膨胀节单式复式轴向万向铰链金属膨胀节主要用于补偿管路或设备因温差或温度波动造成的轴向、损向和角向位移,同时也可以吸收高频机器进出口管道的震动。按ISO15348标准规定,根据金属膨胀节吸收位移的特点将膨胀节
|
2020-09-10 |
 |
外压单式轴向型膨胀节-碳素钢低合金钢膨胀节 外压单式轴向型膨胀节一、定义:外压单式轴向型膨胀节externally pressurized single axial expansion joint外压单式轴向型膨胀节由承受外压的波纹管及外管和端管等结构组成,只用于吸收轴向位移而不能承受波纹管压
|
2020-09-10 |
 |
单式轴向型膨胀节 单式轴向型膨胀节一、定义:单式轴向型膨胀节single axial expansion joint单式轴向型波纹膨胀节由一个波纹管及结构件组成,主要用于吸收轴向位移而不能承受波纹管压力推力的膨胀节.二、连接形式有两种:焊接连接、
|
2020-09-10 |